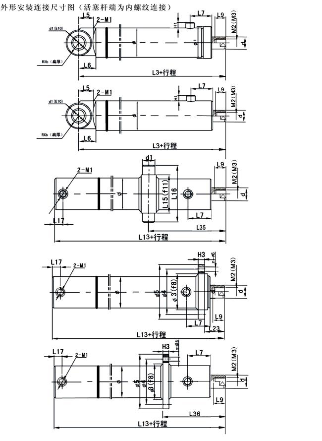
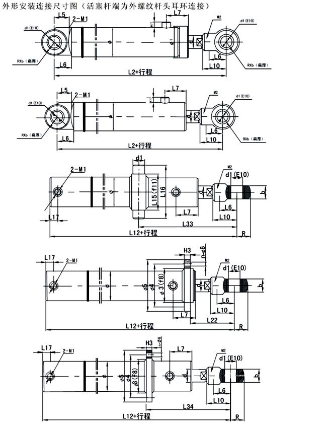
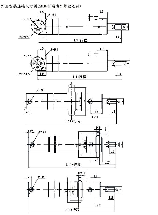
HSG系列工程液壓油缸

HSG-01系列工程液壓油缸
本系列液壓缸具有結構簡單,工作可靠,拆裝方便易維修,可帶緩沖裝置及連接方式多樣等特點。適用于工程機械、礦山機械、起重運輸機械等行業。
本系列液壓缸具有結構簡單,工作可靠,拆裝方便易維修,可帶緩沖裝置及連接方式多樣等特點。適用于工程機械、礦山機械、起重運輸機械等行業。
上一篇:HSG系列工程液壓油缸

上一篇:HSG系列工程液壓油缸
Copy right ? 2018 無錫奧達氣動液壓工程有限公司 版權所有 All Rights Reserved
蘇ICP備12016790號-3